Photon Particle Setup Garage Door

Ok Google Open My Garage Using A Particle Photon Hackster Io

Ok Google Open My Garage Using A Particle Photon Hackster Io

Particle Photon Smartphone Garage Door Opener John Cohen S Mobile Computing Portfolio

Particle Photon Smartphone Garage Door Opener John Cohen S Mobile Computing Portfolio

Garage Door Minder Photon Iot Sixerdoodle Electronics

Garage Door Minder Photon Iot Sixerdoodle Electronics

Internet Controlled Usb Socket Made From A Particle Photon 7 A Mosfet And A Type A Connector I Have Some Us Electronics Projects Neat And Tidy Little Things

Internet Controlled Usb Socket Made From A Particle Photon 7 A Mosfet And A Type A Connector I Have Some Us Electronics Projects Neat And Tidy Little Things

Using Particle Photon With Johnny Five And Voodoospark Doug Seven

Using Particle Photon With Johnny Five And Voodoospark Doug Seven

Sending Photos And Video Over The Internet

Sending Photos And Video Over The Internet

Sending Photos And Video Over The Internet

After clicking on next you should be presented with a file photonsetup html open the file.

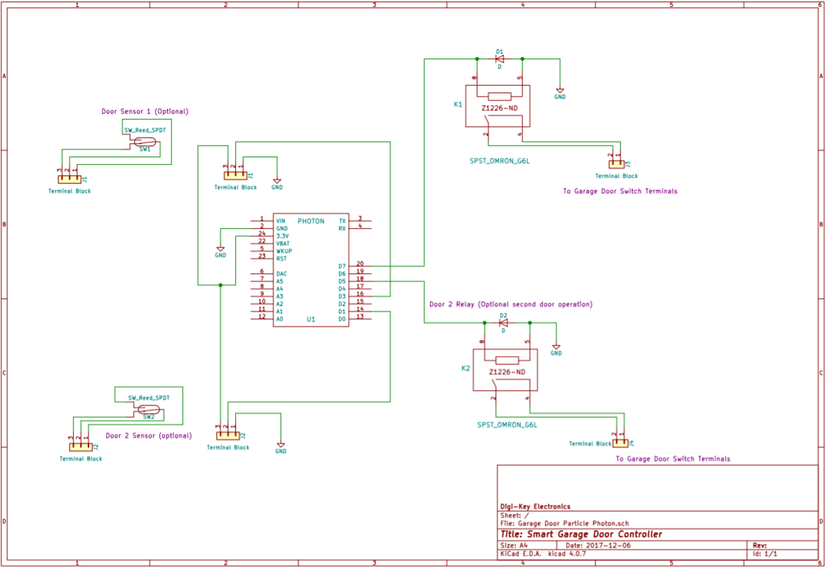
Photon particle setup garage door.

Amazon echo activated garage door. Opening a door garage with a particle photon is no big deal but the big deal is to know if it has been closed or opened in your absence. Iot garage door v2. It should be noted that this will work with an amazon echo dot or tap this is not the first time alexa has been used to open a garage door but i believe it is one of th.

Iot garage door opener using blynk and particle photon. It s easy to use it s powerful and it s connected to the cloud. I just found out that the garage door project is interfering with the car garage door buttons. The photon is a 19 tiny wi fi iot device for creating connected projects and products for the internet of things.

The guide walks you through exactly how to program the photon to control your door and how to get an app setup for it. Doesn t seem like a secure solution at this time. Please contact me if you would like a copy of the code for this project. Most garage doors have a system that helps them detect the current status of door i e.

A year or so ago i hacked a belkin wemo switch and coupled the wifi board to an arduino uno along with a little code and sensors to create a way to control my garage door. After opening the file. Connect your photon to the internet using the setup web application. In this article we will open and close our garage door using the amazon echo.

Just go out and. Also i would be willing to help anyone that is interested in doing this at their home. The photon itself will run you about 20 and the rest of the parts for a single door will probably set you back another 10. The system worked well as i could not only control the door but i could see.

This tutorial uses a particle photon to control a relay for the garage door. Setup exactly as described using photon and using the comments from user updates below door was opening and closing like a champ then 2 hours later began opening and closing at random. The board is powered by a cypress wi fi chip alongside a powerful stm32 arm cortex m3 microcontroller. Click on setup a photon.

Step 5 connect your pc to the photon by connecting to the network named photon. Whether it is open or close. The wifi on the photon is causing some noise and not allowing our garage door opener to work.

Photon Pin Out Preview Hardware Particle Reference Cards Electronic Schematics Arduino

Photon Pin Out Preview Hardware Particle Reference Cards Electronic Schematics Arduino

Photon Particle Search Easyeda

Photon Particle Search Easyeda

Garagebot The Connected Garage Door Opener Hackster Io

Garagebot The Connected Garage Door Opener Hackster Io

Here Explains How To Visualize Data From Particle Photon In Adafruit Io Dashboard And Integration In Ifttt By Anas Dalintakam Integrity Particles Arduino Wifi

Here Explains How To Visualize Data From Particle Photon In Adafruit Io Dashboard And Integration In Ifttt By Anas Dalintakam Integrity Particles Arduino Wifi

To Facilitate The Grassroots Development Of Apps Integrations And Hardware Extensions We Re Opening The Garadg Garage Door Controller Instruction Wifi Antenna

To Facilitate The Grassroots Development Of Apps Integrations And Hardware Extensions We Re Opening The Garadg Garage Door Controller Instruction Wifi Antenna

Particle Photon Mqtt Smart Home On The Cheap Share Your Projects Home Assistant Community

Particle Photon Mqtt Smart Home On The Cheap Share Your Projects Home Assistant Community

Garage Door Status Monitor With Alert To Sms Text Hackster Io

Garage Door Status Monitor With Alert To Sms Text Hackster Io

Particle Photon Rssi On Display 3 Steps Instructables

Particle Photon Rssi On Display 3 Steps Instructables

Freethinkers What Happened Before Planck Time Planck Time Is The Amount Of Time It Takes One Photon Planck Length Particle Physicist Space And Astronomy

Freethinkers What Happened Before Planck Time Planck Time Is The Amount Of Time It Takes One Photon Planck Length Particle Physicist Space And Astronomy

Make A Cloud Data Logger With The Particle Photon Cloud Data Data Logger Home Automation

Make A Cloud Data Logger With The Particle Photon Cloud Data Data Logger Home Automation

Remote Relay Using Particle Photon 3 Steps Instructables

Remote Relay Using Particle Photon 3 Steps Instructables

Hey Google Control My Stuff

Hey Google Control My Stuff

Pin On Interaction

Pin On Interaction

Particle Photon With Blynk Tutorial Youtube

Particle Photon With Blynk Tutorial Youtube

Source : pinterest.com